Single-Phase 3.0kw 19NM 1500rpm AC Servo Motor And Driver For CNC Controller

Application
CNC Machinery,printing equipment, packaging equipment, textile equipment, laser processing equipment,robotics, automated production lines, such as processing precision, processing efficiency and reliability, and other requirements of the relatively high equipment.
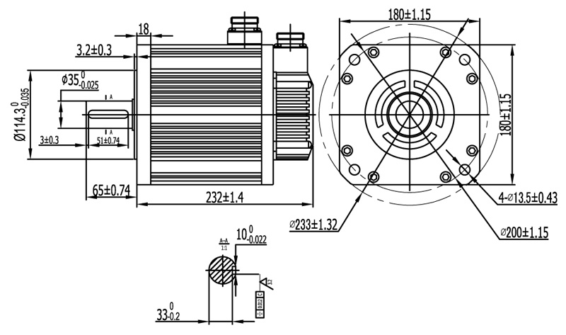
| Motor Model | ZSGH-18300CC |
| Rated Power(KW) | 3 |
| Rated Voltage(V) | 220/380 |
| Rated Crrent(A) | 12/7.5 |
| Rated Speed(RPM) | 1500 |
| Rated Torque(NM) | 19 |
| Peak Torque(NM) | 47 |
| Voltage Constantv10r/min | 97/170 |
| Torque Coefficient(NM/A) | 1.58/2.5 |
| Rotor Inertia(Kg.m²) | 3.8*10 |
| Line-Line Resistance(Ω) | 0.4/1.23 |
| Line-Line Inductance(mH) | 2.42/7.3 |
| Machanical Time-Constant(Ms) | 6/5.93 |
| Encoder Resolution(PPR) | 2500 |
| Insulation Class | Class B |
| Safety Class | IP65 |
| The Operating of Evironmental Condition | Temperature:-20℃~+45℃ Humidity Below 90%RH(No drawing) |
| Weight(KG) | 20.5 |
Servo System
1.With Tamagawa encoder: Incremental(2500PPR/Absolute Servo Motor(17bits/23bits)
2.PositionControl:Pulse+Direction,Modbus:RS485/EtherCAT/Canopen/PowerLink
Servo motor advantages:
Especially suitable for metal cutting machine tools, packaging machinery, textile machinery, woodworking machinery, CNC machine tools, CNC bending machines, winding machines, robots, mechanical equipment and other automation equipment.








FAQ
Q: May I know what’s the nearest airport from your company?
A: First shenzhen Airport,,then guangzhou or huizhou airport,welcome to visit us.
Q: When can I get the quotation?
A: We usually quote within 3 hours after we get your inquiry. If you are very urgent to get the price, please tell us so that we will regard your inquiry priority.
Q: What about the lead time for mass production?
A: 6-8 working days for mass production.It depends on your quantity,and we will try our best to meet your needs.
If you have any other question about our Single-Phase 3.0kw 19NM AC Servo Motor, pls feel free to contact us as below






